Газовые котлы широко применяются для отопления и/или нагрева воды. Если они выполняют обе эти функции, то называются двухконтурными. Это значит, что вода приходит и уходит независимо по разным системам труб или шлангов.
Нюансы и правила безопасности подключения двухконтурного котла
Подключение газового котла или колонки необходимо осуществлять с точным соответствием инструкции и соблюдением всех правил безопасности:
1. В процессе его работы будут образовываться продукты сгорания, об отведении которых необходимо подумать заранее. Котлы могут быть установлены как непосредственно в отапливаемом помещении, так и в соседнем или подвале.
В первом случае необходимо присутствие вентиляционной системы, во втором обязателен изолированный выход. При монтаже котла с принудительной тягой забор воздуха с улицы и возвращение туда отработанного газа предусмотрено конструкцией оборудования.
2. Отсутствие рядом с котлом иного газового оборудования. Не рекомендуется устанавливать колонку над газовой плитой.
3. Полная герметичность всех деталей котла. В процессе установки и эксплуатации важно следить, чтобы нигде не образовывался конденсат.
4. Расстояние от стены до газового оборудования должно составлять 2 см, если она выполнена из негорючих материалов, 3 см — если из горючих. Это пространство должно быть заполнено изоляцией.
Поэтапное подключение газового котла
Монтаж колонки включает в себя следующие этапы:

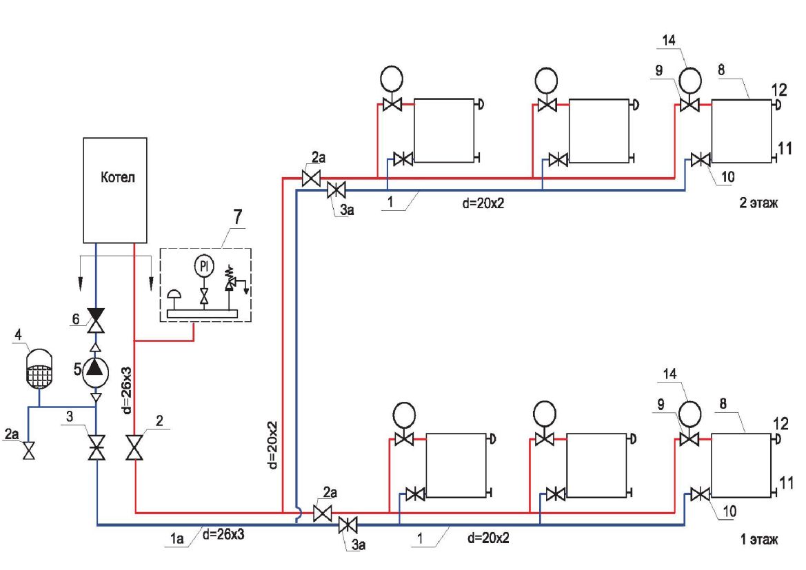
Фото — Схема подключение двухконтурного газового котла
1. Выбор места и крепление устройства на стену. При этом необходимо руководствоваться понятиями безопасности. Колонка должны быть расположена достаточно высоко, чтобы до нее не могли добраться дети или домашние животные.
2. Соединение газового котла и системы отопления. Большинство колонок имеет стандартное расположение выходов, каждый из которых должен использоваться по своему назначению. Всего их 5. Слева направо располагаются: подача воды к батареям или радиаторам, подача горячей воды для личных нужд, газопровод, подача холодной воды от центрального водоснабжения, «возвратка» от отопительных приборов.
Таким образом, для подключения котла к батарее необходимо использовать 2 крайних выхода. Само соединение можно осуществить при помощи ПВХ труб или шлангов. Для исключения засорения на входе и выходе можно установить фильтры. Дополнительный монтаж кранов и патрубков облегчит слитие воды из батареи при необходимости.
3. Подключение водопровода. Осуществляется при помощи специальных гофрированных шлангов. Они могут быть изготовлены из стали или алюминия. Лучше всего использовать конструкцию из нержавеющего металла, поскольку постоянное взаимодействие с водой способствует развитию процесса коррозии. Также хорошо себя проявляют трубы из полипропилена. Они легче, проще в установке и дешевле.
4. Подключение газопровода. При проведении данной процедуры крайне важно соблюсти полную герметичность, оплошность может привести к возгоранию или взрыву. Здесь также оптимальным способом соединения будет гофрированный металлический шланг.
В качестве уплотнителя можно использовать паклю или краску. Проверить герметичность можно, смазав место соединения раствором мыльной воды, появление пузырьков при открытом кране газопровода свидетельствует о наличии нежелательных щелей и отверстий.
5. Соединение колонки с дымоходом при использовании оборудования с естественной тягой. Для этого используется широкая гофрированная трубка, которая одним концом крепится к раструбу котла, а другим входит в вентиляционную шахту.
Проверки перед запуском котла
Процедуры перед запуском котла.
Для контроля работоспособности и безопасности оборудования необходимо произвести следующие действия:
- Проверить тягу. Для этого к вентиляции или дымоходу необходимо поднести горящую спичку. Оптимальным считается отклонение пламени на 45°.
- Проверить отсутствие капель влаги.
- Проверить на отсутствие запаха газа.
- Проверить силу крепления колонки на стене. Она не должна болтаться, все саморезы и дюбеля должны оставаться на своих местах при физическом воздействии.
После этого можно производить запуск газового оборудования.